+86-510-85804524
+86-13961798821 , 13585047824
products
BEATING HEART FROM TEXTILE MACHINERY

HT825 and other bearings
|
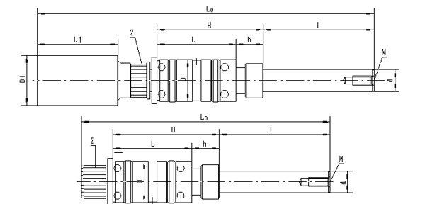
Size/Model |
Lo |
L1 |
L |
H |
h |
I |
D |
D1 |
d |
M |
Z |
Z1 |
Remarks |
|
Picture 1, picture 4 |
|||||||||||||
|
HT821-1100 |
187 |
45 |
43.8 |
59 |
15.2 |
61.5 |
23 |
28 |
12 |
5 |
20 |
|
with tension ring, picture 4 |
|
HT821-1200 |
138 |
|
43.8 |
59 |
15.2 |
61.5 |
23 |
|
12 |
5 |
20 |
|
|
|
HT825-1100 |
187 |
45 |
43.8 |
59 |
15.2 |
61.5 |
23 |
28 |
12 |
5 |
20 |
|
|
|
HT825-1200 |
138 |
|
43.8 |
59 |
15.2 |
61.5 |
23 |
|
12 |
5 |
20 |
|
|
|
HT825F-1100 |
216 |
45 |
43.8 |
59 |
15.2 |
90.5 |
23 |
28 |
12 |
5 |
20 |
|
|
|
HT825F-1200 |
167 |
|
43.8 |
59 |
15.2 |
90.5 |
23 |
|
12 |
5 |
20 |
|
|
|
HT865C-1100 |
216 |
45 |
43.8 |
59 |
15.2 |
90.5 |
23 |
28 |
12 |
5 |
20 |
|
with tension ring, picture 4 |
|
HT865C-1200 |
167 |
|
43.8 |
59 |
15.2 |
90.5 |
23 |
|
12 |
5 |
20 |
|
|
|
JZ1121-00 |
199 |
45 |
43.8 |
59 |
15.2 |
73.5 |
23 |
28 |
12 |
5 |
20 |
|
|
|
JZ1221-00 |
150 |
|
43.8 |
59 |
15.2 |
73.5 |
23 |
|
12 |
5 |
20 |
|
|
|
JZ1133-00 |
196.5 |
48 |
43.8 |
62 |
18.2 |
58.5 |
23 |
28 |
12 |
5 |
20 |
|
with tension ring, picture 4 |
|
JZ1134-00 |
196.5 |
48 |
43.8 |
62 |
18.2 |
58.5 |
23 |
28 |
12 |
5 |
20 |
|
|
|
JZ1233-00 |
137 |
|
43.8 |
62 |
18.2 |
58.5 |
23 |
|
12 |
5 |
20 |
|
|
|
|
|
|
|
|
|
|
|
|
|
|
|
|
|

Electric spindle bearing

Electric spindle bearing

(HT821, HT865C, JZ1X33, JZ1134 bearings, with tension ring)
|
Size/Model |
Lo |
L1 |
L |
H |
h |
I |
D |
D1 |
d |
M |
Z |
Z1 |
Remarks |
|
HT862-1100 |
218.5 |
45 |
49.3 |
|
12.7 |
90.5 |
28 |
28 |
12 |
5 |
20 |
|
|
|
HT862-1200 |
169.5 |
|
49.3 |
|
12.7 |
90.5 |
28 |
|
12 |
5 |
20 |
|
|
|
HT862H-1100 |
218.5 |
45 |
49.3 |
|
12.5 |
90.5 |
28 |
28 |
12 |
5 |
20 |
|
|
|
HT862H-1200 |
169.5 |
|
49.3 |
|
12.5 |
90.5 |
28 |
|
12 |
5 |
20 |
|
|
|
HT862D-1100 |
194 |
|
49.3 |
|
12.7 |
90.5 |
28 |
|
12 |
5 |
20 |
25 |
Picture 3, electric spindle bearing |
|
HT862E-1100 |
198.5 |
45 |
49.3 |
|
12.7 |
70.5 |
28 |
28 |
12 |
5 |
20 |
|
|
|
HT862E-1200 |
149.5 |
|
49.3 |
|
12.7 |
70.5 |
28 |
|
12 |
5 |
20 |
|
|
|
HT862G-1100 |
218.5 |
45 |
49.3 |
|
12.7 |
90.5 |
28 |
28 |
12 |
5 |
20 |
|
|
|
HT862G-1200 |
169.5 |
|
49.3 |
|
12.7 |
90.5 |
28 |
|
12 |
5 |
20 |
|
|
|
JZ1106-00 |
208 |
47 |
52 |
|
13 |
68 |
24 |
25 |
12 |
6 |
26 |
|
for use in MJ8836 false twister for processing nylon |
|
JZ1206-00 |
155 |
|
52 |
|
13 |
68 |
24 |
|
12 |
6 |
26 |
|
|
|
JZ1106A-00 |
204.5 |
52 |
52 |
|
13 |
68 |
24 |
38 |
12 |
6 |
20 |
|
Reverse installation of belt wheel |
|
JZ1206 |
Home|About us|Products|News|Honor|Job|Strength|Order|Contact us|中文版
Copyright(C)2018 , Wuxi Hongda Texparts CO., LTD. All Rights Reserved. Supported byChinaChemNetChemNetToocleCopyright Notice備案序號:蘇ICP備05028424號